Перейти к содержанию
Партнерские сервисы
Слесарный и кузовной ремонт и запчасти в БЕЛЯЕВО (495)-222-6064 Cервис у Пчела оригинальные запчасти кузовная станция IDS +7 495 6406454
Клубное творчество, есть что сказать? поделись с друзьями! Форд Центр "ПИЛОТ" на Волгоградском проспекте. тел. (495) 785-06-65

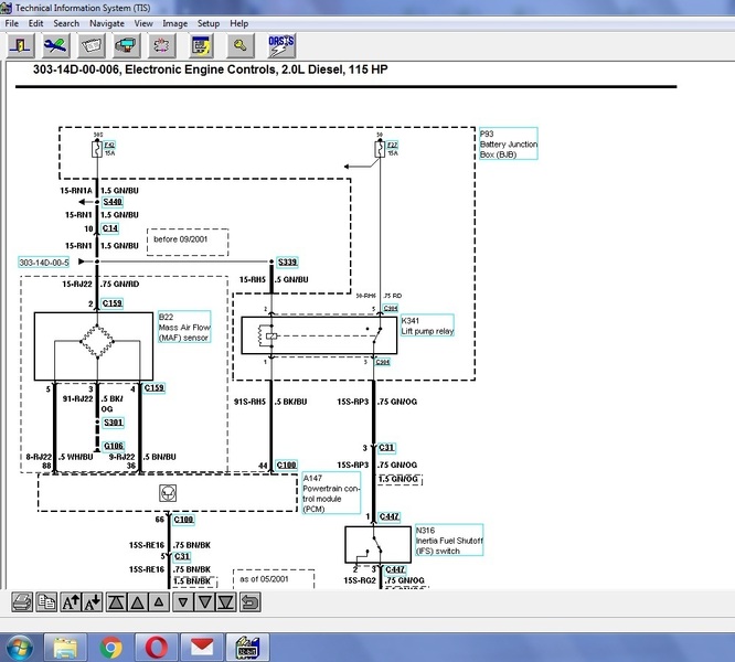
датчик дмрв форд мондео 3 115л.с дизель схема


Рекомендуемые сообщения

Опубликовано

 

Добрый день. Может у кого то есть схема подключения датчика дмрв. Куда приходят провода на эбу распиновка самого дмрв


Опубликовано
В 19.12.2021 в 16:24, baser74 сказал:

 

Добрый день. Может у кого то есть схема подключения датчика дмрв. Куда приходят провода на эбу распиновка самого дмрв

Какой мотор? tddi или tdci? и год машины

 

Только что, leonov_s сказал:

Какой мотор? tddi или tdci?

 

 

Для публикации сообщений создайте учётную запись или авторизуйтесь

Вы должны быть пользователем, чтобы оставить комментарий

Создать аккаунт

Зарегистрируйте новый аккаунт в нашем сообществе. Это очень просто!

Регистрация нового пользователя

Войти

Уже есть аккаунт? Войти в систему.

Войти
×
×
  • Создать...