Перейти к содержанию
Партнерские сервисы
Aвтосервис и запчасти на Парке культуры тел. (495) 998-0111 (495) 978-8866 Cервис у Пчела оригинальные запчасти кузовная станция IDS +7 495 6406454
Клубное творчество, есть что сказать? поделись с друзьями! Форд Центр "ПИЛОТ" на Волгоградском проспекте. тел. (495) 785-06-65

Проблемы с подсветкой приборов. 31 предохранитель сел на массу.


Рекомендуемые сообщения

Опубликовано (изменено)

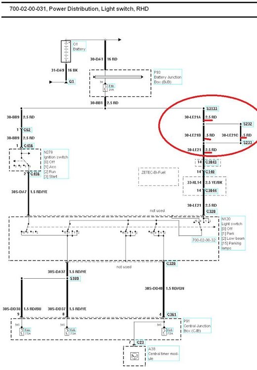
Товарищи, есть проблема с проводкой на подсветку внутрисалонную. Уже устал искать коротыш. Выяснил, что цепь ПЛЮС от АКБ - пред под капотом - преды 31,33,35 - переключатель света - регулятор яркости подсветки в порядке. А дальше после регулятора сопротивление 2 Ом. Уже отключал все двери, передние фары (фишки у края самой фары) приборку, блок крутилок, магнитолу и крышку багажника (2 фишки у заднего левого ремня). Не помогло.  Может кто подскажет, куда дальше идет проводка на свет и где искать этот коротыш? Не хочется перепахивать салон. и без света тоже не очень. 

Сейчас если вставить 31 пред на 7.5 А, то начинает плавится петля под капотом, и габариты при этом горят в полканала. Проблемы начались после дождя.

Ford_power_distribution.jpg

Изменено пользователем Aleksandrovich89

Опубликовано

Слабое место в проводке, это возле передних сидений у порога на днище под утеплителем. Там обычно прогнивает днище или вода под коврик попадает и проводка вечно в воде. У меня там был коротыш пару раз

Опубликовано

@milens хорошая мысль. днище и пороги варили недавно. надо еще раз глянуть, и если дыры найду, шерстить уже со стороны салона в этих местах. Под накладки порога лезть не хотелось, уж очень там все укорело, но, видимо, придется.

Опубликовано

Проводка идед именно по днищу, прямо на днище лежит. Накладки, пластик, убирать - если не получится ковролин, утеплитель из под плястика вытянуть.

Для публикации сообщений создайте учётную запись или авторизуйтесь

Вы должны быть пользователем, чтобы оставить комментарий

Создать аккаунт

Зарегистрируйте новый аккаунт в нашем сообществе. Это очень просто!

Регистрация нового пользователя

Войти

Уже есть аккаунт? Войти в систему.

Войти
×
×
  • Создать...