Перейти к содержанию
Партнерские сервисы
Aвтосервис и запчасти на Парке культуры тел. (495) 998-0111 (495) 978-8866 Cервис у Пчела оригинальные запчасти кузовная станция IDS +7 495 6406454
Клубное творчество, есть что сказать? поделись с друзьями! Форд Центр "ПИЛОТ" на Волгоградском проспекте. тел. (495) 785-06-65

zom81e

Прохожий
  • Постов

    2
  • Зарегистрирован

  • Посещение

Информация о zom81e

  • День рождения 02.05.1988

Поля под аватарой

  • Откуда
    Украина, Коростень
  • Машина
    Ford Mondeo MK3 2005 2.0 TDI (130 HP)

Данные профиля

  • Пол
    Мужчина

Посетители профиля

Блок последних пользователей отключён и не показывается другим пользователям.

Достижения zom81e

0

Репутация

  1. Хоть каждый отдельный случай с этой проблемой имеет свою индивидуальность, я расскажу, как мне удалось открыть заднюю дверь без повреждений салона, кузова и прочих дорогостоящих деталей. Имеем закрытую на 2-ую блокировку заднюю дверь. Центральный замок работает, остальные все двери исправные, фишка разъём за бардачком на месте и без следов внешнего воздействия. Приступаем к открытию. Открываем соответствующую переднюю дверь. Снимаем гофру с центральной стойки. Для этого на выступах резиновой гофры нажимаем аккуратно пальцами и потихоньку вытягиваем. Должно выходить без усилий. Если не так, то слегка направляя в разные стороны продолжаем тянуть. Главное - не сломать защёлки - нежные. Далее меряем сопротивление между проводами со стороны двери по цветам (смотрим на фишке со стороны стойки): жёлтый - белый с черной полосой и жёлтый с черной полосой - белый с чёрной полосой. Если смотреть на фишку, то жёлтые провода будут крайними в среднем ряду, а чёрно-белый по центру в нижнем. У меня при измерениях было 3 кОм и 19 кОм. А это говорит о том, что концевики окислены, но контакт кое-какой есть. Далее берём лабораторий блок питания, или такой, какой есть под рукой, с напражением 25...30 вольт. И подаём на (со стороны дверей) центральный в нижнем ряду и правый в среднем ряду. И, вуаля, дверь разблокирована. Главное оперативно снять напряжение. Хотя теоретически должен сработать другой концевик в крайнем положении и разорвать тем самым цепь... Если нужно подробнее описать что-то, или изображение добавить, могу дополнить позже.
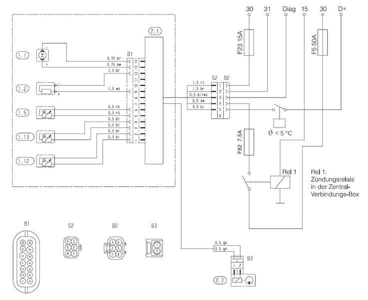
  2. Тем, кто ищет ответ на этот вопрос. Очень много и долго искал информацию про штатно установленный догреватель на МОНДЕО. Про Eberspacher (в частности про D5WZ) в интернете очень много сказано и рассказано, но! на МОНДЕО немного особенный догреватель. Для начала: у нас совершенно иной разъем подключения (основные отличия): раздельные провода и фишки для подключения блока управления и топливного насоса, тогда как в большинстве случаев это одна колодка, и сам разъем у нас такой же, как в первом фокусе на радиаторе охлаждения. Об этом никто особо нигде не говорит. Далее. Алгоритм работы очень простой. Никакой связи с мозгами авто (каким-то блоком управления) для включения у нашего эбера нет. Я выложу схему подключения заводскую. Проверил и на своем авто: все точно, как на картинках с официальной инструкции. Все просто: постоянное питание через предохранитель F23 (15 Ампер, установлен в блоке возле АКБ под капотом) - красный провод; постоянная масса - коричневый провод; подача сигнальных +12 вольт при включении зажигания, без всяких там мозгов и прочего через замок зажигания и советующее реле подается напряжение на предохранитель F82 (7,5 Ампер, в блоке предохранителей за бардачком слева от руля) - черный провод; подача контрольных +12 вольт при условии работы генератора и температуры ниже +4 градусов Цельсия на улице - синий провод. Сам датчик температуры стоит за декоративной решеткой радиатора возле правой фары (фото датчика тоже прилагаю). Но в инструкции написано, что датчик должен стоять возле левой фары (вполне возможно, что картинка и инструкция для праворульной машины).
  3. zom81e Добро пожаловать в Мондео клуб!  

×
×
  • Создать...